产品中心
产品目录
汽车焊装
气动系统
执行元件
首字母搜索:
{{n.title}}
新型UGT抓具

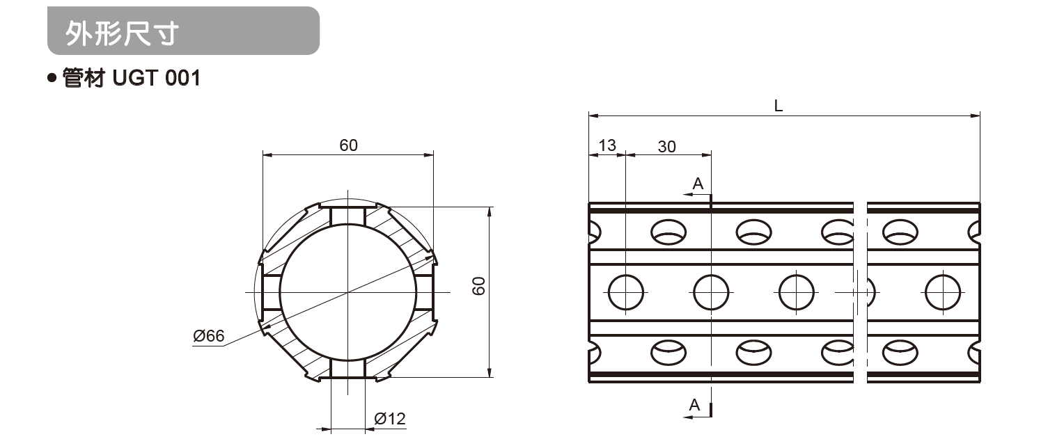
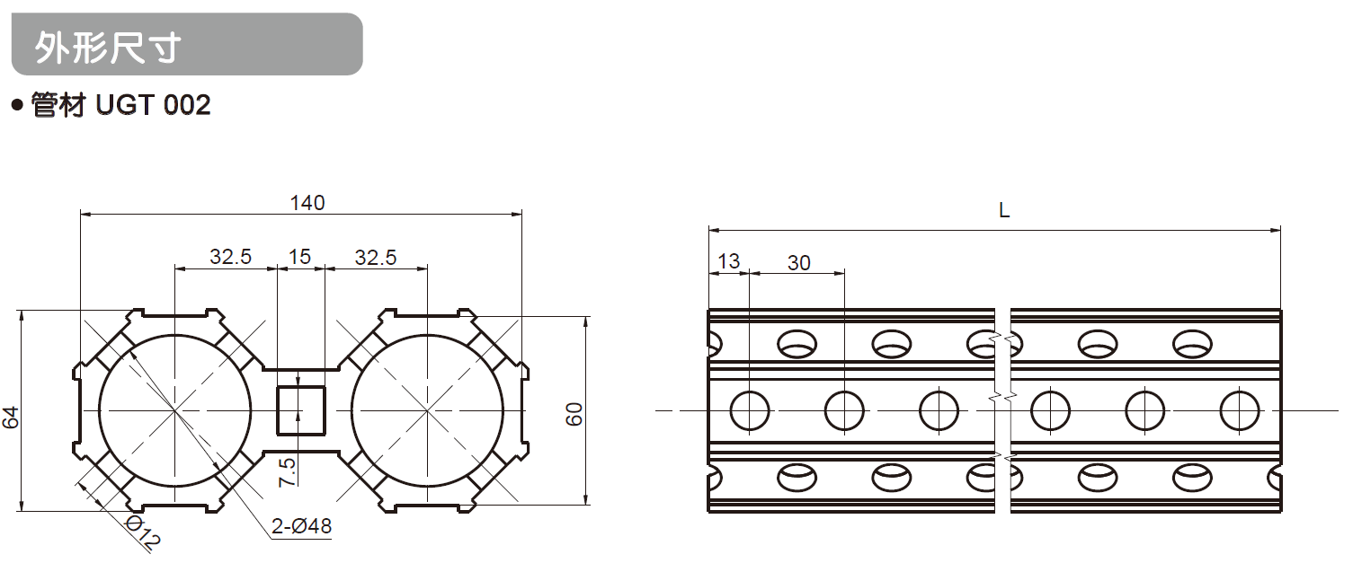
UGT抓具系统是一种新型的模块化抓具系统,主框架管件为带有定位凹槽和精孔的八角管型材,连接件通过定位凹槽和精孔定位与管件连接,二级连接采用圆管组件连接,连接简单、灵活。UGT抓手精度更高,孔位间隔15mm交错分布,重量轻,较少的螺栓紧固,大大减少了安装时间和维修时间,无需使用专用工具,最少只需一个螺栓即可实现连接件与管件连接简单快速,特殊高强度的UGT002双重管,可用于高负载和高精度要求情况下的特殊抓手。

1.精度高,性价比好,适用于高自动化场合。

2.高性价比,设计简单,安装简便,维修快捷,适用于绝大部分工况。

功能与连接方式
管材

企业微信截图_17616161004494.png

企业微信截图_17612918067201.png企业微信截图_17612918505880.png企业微信截图_17612918691680.png企业微信截图_17612918897828.png企业微信截图_17612919236882.png企业微信截图_1761291939250.png企业微信截图_1761291963954.png企业微信截图_17612919806229.png企业微信截图_17612920194575.png企业微信截图_17612920391186.png企业微信截图_17612920642628.png企业微信截图_17612920821559.png企业微信截图_1761292118117.png企业微信截图_17612921438966.png企业微信截图_17612921541813.png企业微信截图_17612921747511.png企业微信截图_17612921993266.png企业微信截图_17612922185441.png企业微信截图_17612922467041.png企业微信截图_17612922725525.png企业微信截图_17612922985311.png

企业微信截图_17612931024128.png企业微信截图_17612931243956.png企业微信截图_17612931364857.png

企业微信截图_17612925174755.png企业微信截图_17612925361616.png企业微信截图_17612925598108.png企业微信截图_17612926653677.png企业微信截图_17612926858332.png企业微信截图_17612927018879.png企业微信截图_17612927182165.png企业微信截图_176129275435.png企业微信截图_17612927725924.png企业微信截图_17612927941477.png企业微信截图_17612928468422.png企业微信截图_17612928694686.png企业微信截图_17612928852696.png企业微信截图_17612928976230.png企业微信截图_17612929298187.png企业微信截图_17612929504654.png