首页> 产品中心> 汽车焊装> 转台> 凸轮式伺服转台
产品中心
产品目录
汽车焊装
气动系统
执行元件
首字母搜索:
{{n.title}}
UT 系列 凸轮式伺服转台

1. 可使用从动滚轮最大数量(最少3个),

具有大扭矩,高刚性,性能稳定的结构特点;

2. 驱动凸轮整体淬火;

3. 凸轮槽淬火后精研磨;

4. 零背隙的凸轮传动机构;

5. 中空输出设计,适用于结构复杂的自动化设备;

6. 伺服电机驱动,可满足高精度加工环境;

7. 可水平或竖直安装。

订购码
标准规格
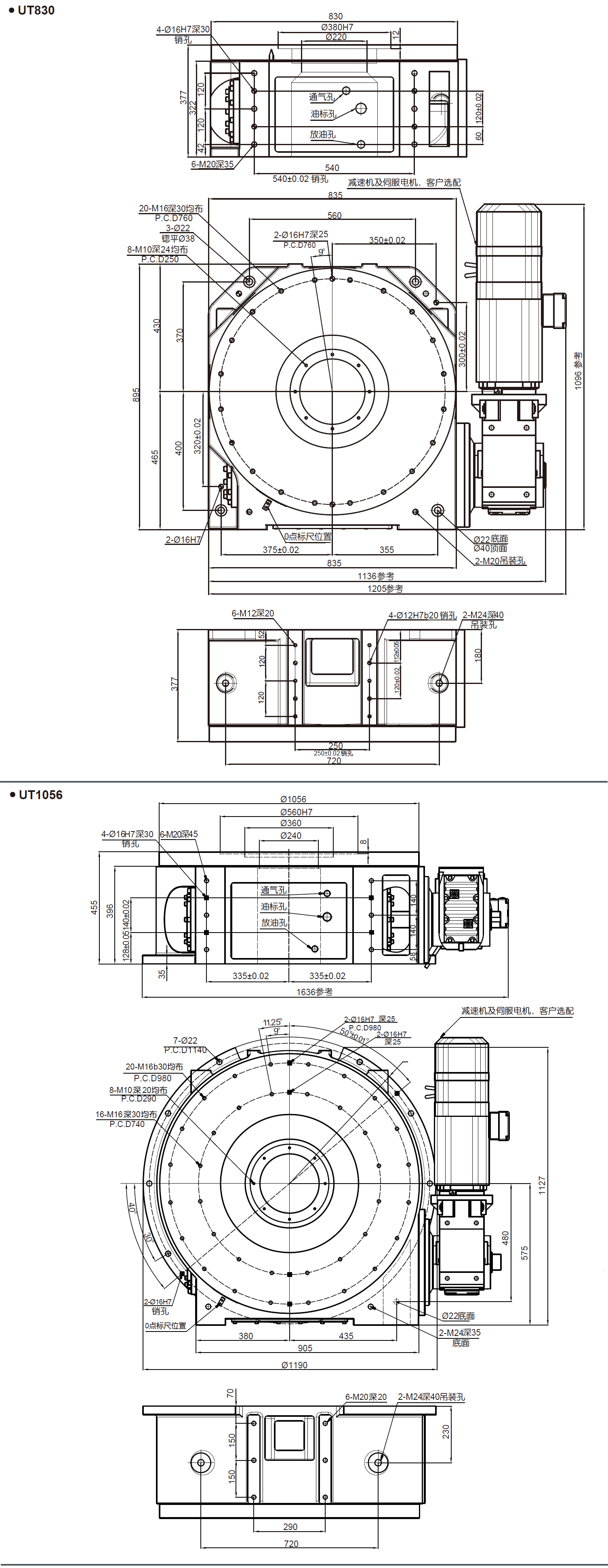
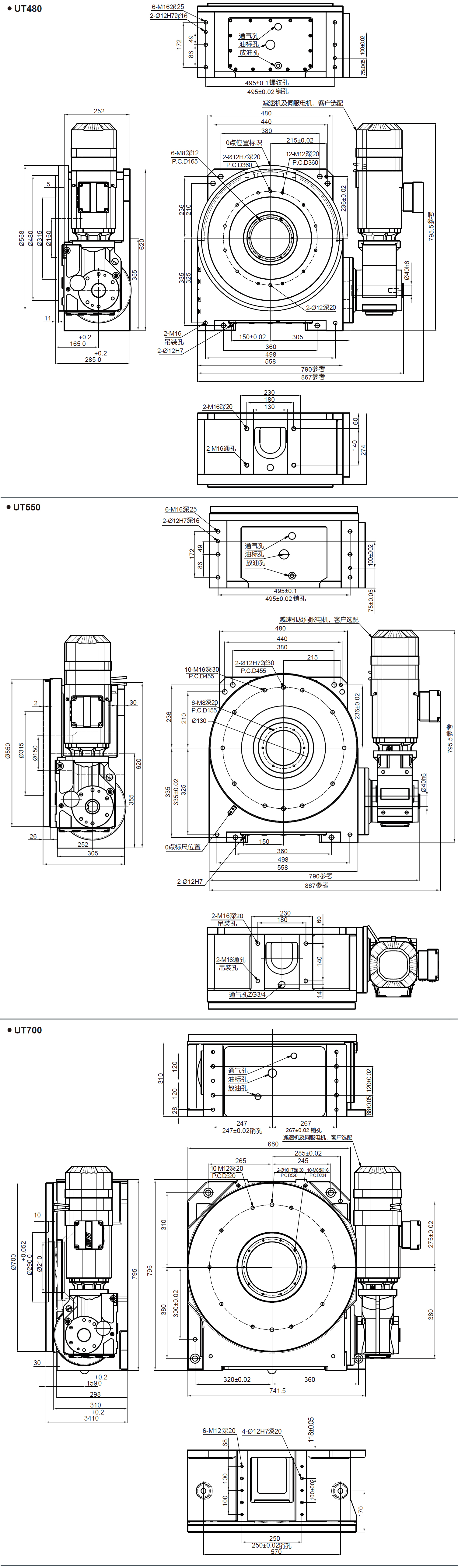
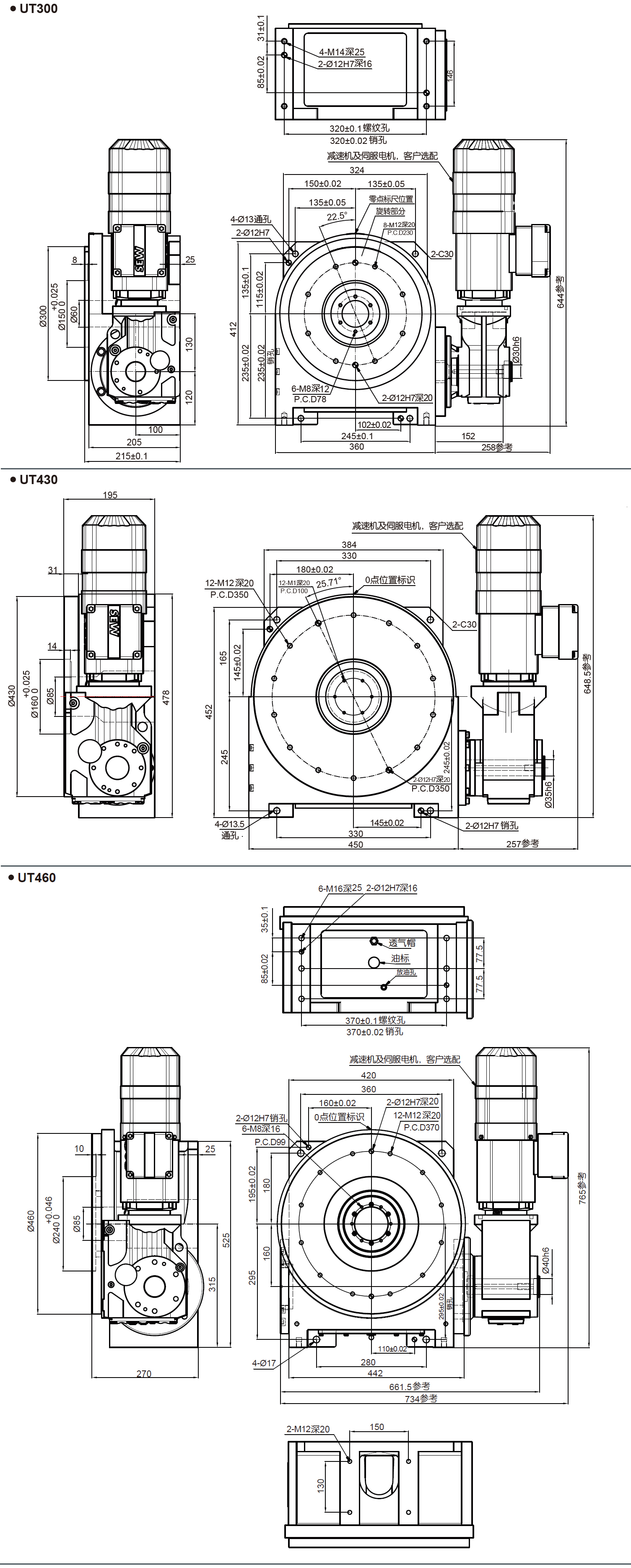
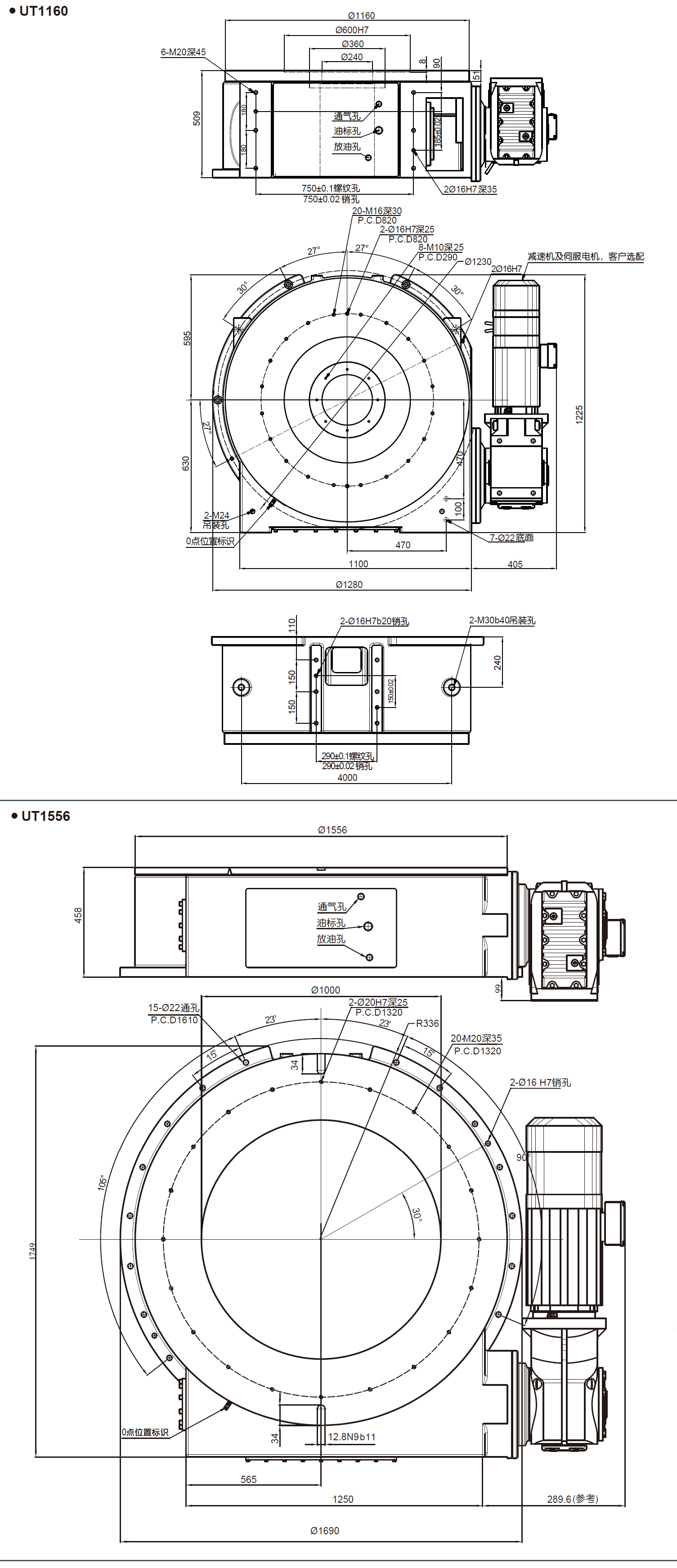
外形尺寸
企业微信截图_17612878592618.png
企业微信截图_17612878431957.png

企业微信截图_17612878929583.jpg

企业微信截图_17612881181394.jpg

企业微信截图_17612884399459.jpg

企业微信截图_17612885942879.jpg