产品中心
产品选型
汽车焊装
气动系统
抓具系统
输送系统
转台
机器人七轴
水气单元
解决方案
汽车焊装解决方案
选型计算
选型计算
解决方案
汽车焊装行业
集团品牌
HITOP
Unsvorns
服务与支持
选型计算
资料下载
视频专区
公司资讯
公司新闻
活动资讯
关于我们
公司介绍
企业文化
发展历程
企业荣誉
合作伙伴
联系我们
联系方式
加入我们
CN
EN
登录
/
注册
首页
>
产品中心
>
执行元件
>
滑台气缸
>
磁耦式无杆气缸/直接安装型
产品中心
产品选型:
{{selectStrTxt?selectStrTxt:'暂无'}}
复制
重置
3D下载
产品规格书
{{o.text}}
{{index+1}}
产品目录
汽车焊装
气动系统
气源处理元件
UAC 系列多联式空气组合元件
UAC 系列三联式空气组合元件
UAC 系列二联式空气组合元件
UAW 系列过滤减压阀
UAF 系列过滤器
UAM 系列油雾分离器
UAD 系列微雾分离器
UAL 系列油雾器
UAR 系列减压阀
ARIA 系列精密减压阀
UAV 系列缓慢启动电磁阀
UAE 系列电气比例阀
VAH 系列残压释放阀
VBA 系列增压阀
BAT 系列储气罐
HSE3A 系列数显压力开关
HSE9 系列数显压力开关
DFSW 系列水用数显流量开关
G26-52/GZ42 系列压力表
U 系列配件
方向控制元件
VED 系列总线阀岛
VET 系列总线阀岛
HVBA 系列5 通先导式电磁阀(多联型)
HVBA 系列5 通先导式电磁阀(单体型)
HVQA 系列5 通先导式电磁阀(多联型)
HVQA 系列5 通先导式电磁阀(单体型)
VEK 系列5 通先导式电磁阀
VM6 系列3 通先导式电磁阀
VM307 系列3 通直动式电磁阀
VM317 系列3 通直动式电磁阀
VAK 系列5 通气控阀
VAM6 系列3 通气控阀
VBL 系列5 通手动阀
VBH 系列4 通手动阀
VKZ 系列3 通机械阀
VSL 系列单向逆止阀
VQ 系列急速排气阀
VF 系列脚踏阀
V 系列配件
执行元件
抗强磁刮尘气缸
DF-HMF 系列 标准型气缸
DF-JQF 系列薄型气缸
DF-JQF 系列薄型气缸(长行程)
DF-GYF 系列薄型带导杆气缸
DF-GYNB 系列薄型带导杆气缸
GF-AKN 系列焊装夹紧气缸
ISO标准气缸
AI 系列ISO 15552 标准气缸
AE 系列ISO 15552 标准气缸
AMGA 系列ISO 15552 标准气缸(大缸径)
ACE 系列ISO 21287 标准气缸
标准型气缸
HCM 系列标准型气缸
HGF 系列轻型气缸
HMF 系列 标准型气缸
薄型气缸
JQF 系列薄型气缸
JQF 系列薄型气缸(长行程)
带导杆气缸
GMF 系列薄型带导杆气缸
GYF 系列薄型带导杆气缸
GYNB 系列薄型带导杆气缸
夹紧气缸
NKSA 系列回转夹紧气缸
JGLA 系列杠杆夹紧气缸
焊装强力夹紧气缸
AKN 系列焊装夹紧气缸
AKUS 系列强力夹紧缸
AKUT 系列容差式强力夹紧缸
AKUH 系列手自一体式强力夹紧缸
AKUK 系列手动强力夹紧器
AKUD 系列双夹臂夹紧缸
AKUF 系列车架夹紧缸
AKZ 系列手动夹紧器
钩销夹紧缸
AKQF 系列钩销夹紧缸
AKP 系列钩销夹紧缸
AKPQ 系列容差式钩销夹紧缸
AKPT 系列容差式钩销夹紧缸
AKPH 系列手动钩销夹紧缸
定位伸缩缸
AKH 系列单导杆伸缩销
AKHD 系列双导杆伸缩销
AKK 系列手动单导杆伸缩销
AKKD 系列手动双导杆伸缩销
AKL 系列自锁型单导杆伸缩销
AKLD 系列自锁型双导杆伸缩销
AKT 系列焊装内胀夹紧气缸
AKF 系列翻转单元
摆动气缸
MTDH 系列立式重型阻挡气缸
MTGH 系列卧式重型阻挡气缸
MKQC 系列回转摆动气缸
滑台气缸
GXQ 系列直线导轨滑台缸
GXG 系列直线导轨滑台缸
GP1B 系列机械接合式无杆气缸
GP1H 系列机械接合式无杆气缸
GP1M 系列机械接合式无杆气缸
GP3 系列机械接合式无杆气缸
GPD 系列磁耦式无杆气缸/直接安装型
气动夹爪
MHCH 系列重型平行气动手指
MHSQ 系列重型平行气动手指
MHSP 系列重型气爪 ( 2 手指 )
MHTZ 系列重型气爪 ( 3 手指 )
MQR 系列旋转分气接头
MDF 系列防缠绕机构
MGA 系列磁石吸附气缸
气-液单元
BKS 系列回转夹紧液压缸
BDL 系列杠杆夹紧液压缸
BHD 系列薄型液压缸
BHE 系列薄型液压缸
BHR 系列薄型液压缸/感应型
BT 系列气 - 液增压器
辅助元件
FDE 系列浮动接头
FJE 系列气缸连接附件
TD 系列磁性开关
TDP3 系列耐强磁磁性开关
SC/SFC/SDH 系列液压缓冲器
ST 系列铜消音器/平头型
SU 系列铜消音器/凸头型
SV 系列树脂消音器
KZW 系列带节流阀的快速接头(带锁)
KZW 系列带节流阀的快速接头
KZW-G 系列带节流阀的快速接头
KZW 系列快速接头
KZW-G 系列快速接头
KZW81□ 系列直通型调速阀
KZW80□ 系列先导式单向速度控制阀
KZW80□ 系列双向速度控制阀
KZW80□ 系列回转式快速接头
KZW81□ 系列带刻度速度控制阀
KZB 系列带截止阀的快速接头
KZB 系列带单向阀的快速接头
KZQ 系列金属快速接头
KZQ 系列金属快速接头/锁母型
KZQ 系列金属快速接头/外插管型
KZG 系列快速接头
PU 系列聚氨酯管
PUS 系列聚氨酯软管
TPU 系列双层阻燃管
真空元件
UCV 系列基本型真空发生器
UZK 系列集成式真空发生器
UZL 系列多级真空发生器
UZS 系列多级真空发生器
UFZ 系列通用型真空过滤器
UPV 系列真空逻辑阀
ZPC 系列标准型吸盘(吸盘单体)
ZPK 系列标准型吸盘(带连接器不含缓冲)
ZPR 系列标准型吸盘(带缓冲支杆)
ZPR 系列标准型吸盘(带连接器不含缓冲)
ZPT 系列标准型吸盘(带缓冲支杆)
ZHFA 系列平型带肋吸盘(重型)
ZHFA 系列平型带肋吸盘(重型 - 带缓冲支杆)
ZBFA 系列波纹吸盘
ZBFA 系列波纹吸盘(带缓冲支杆)
ZUFA 系列椭圆波纹吸盘
ZUFA 系列椭圆波纹吸盘(带缓冲支杆)
ZNC 系列海绵吸盘
电动元件
直线模组
ETB 系列内嵌式全密封丝杆直线模组
ETSA 系列内嵌式全密封皮带直线模组
KK 系列钢本体型直线模组
伺服电动缸
EMC/EMD 系列伺服电动缸
抓具系统
欧标EGT抓具
新型UGT抓具
输送系统
积放链
转向式输送链
摆臂式高速升降辊床
台车高速升降辊床
齿轮齿条式高速升降辊床
凸轮式高速升降辊床
往复杆系统
转台
UT 系列凸轮式伺服转台
机器人七轴
机器人七轴
水气单元
水气单元
全型号搜索:
搜索
重置
首字母搜索:
{{n.title}}
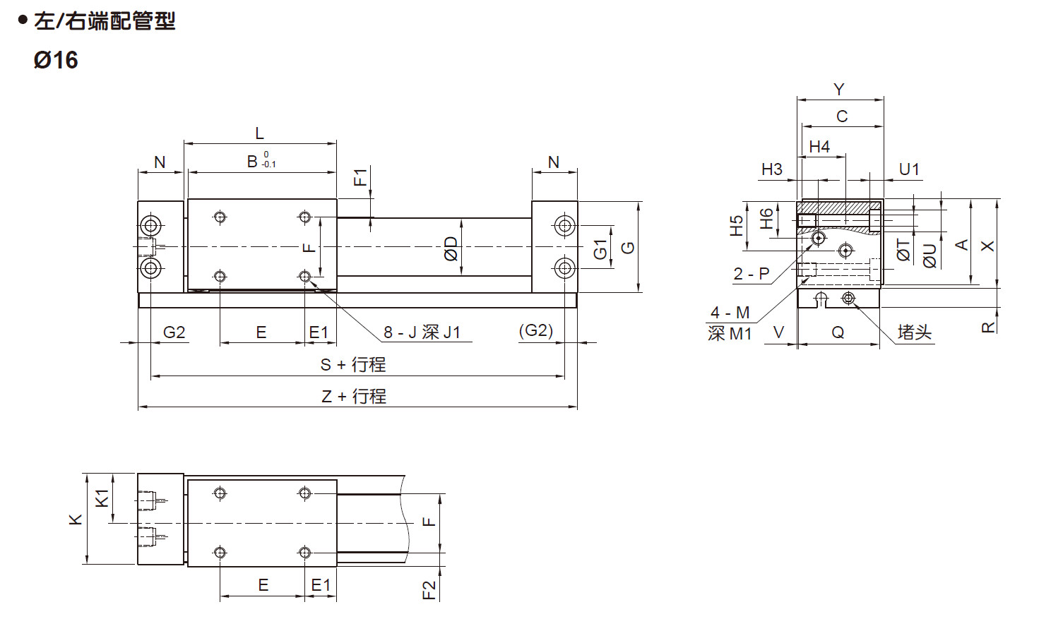
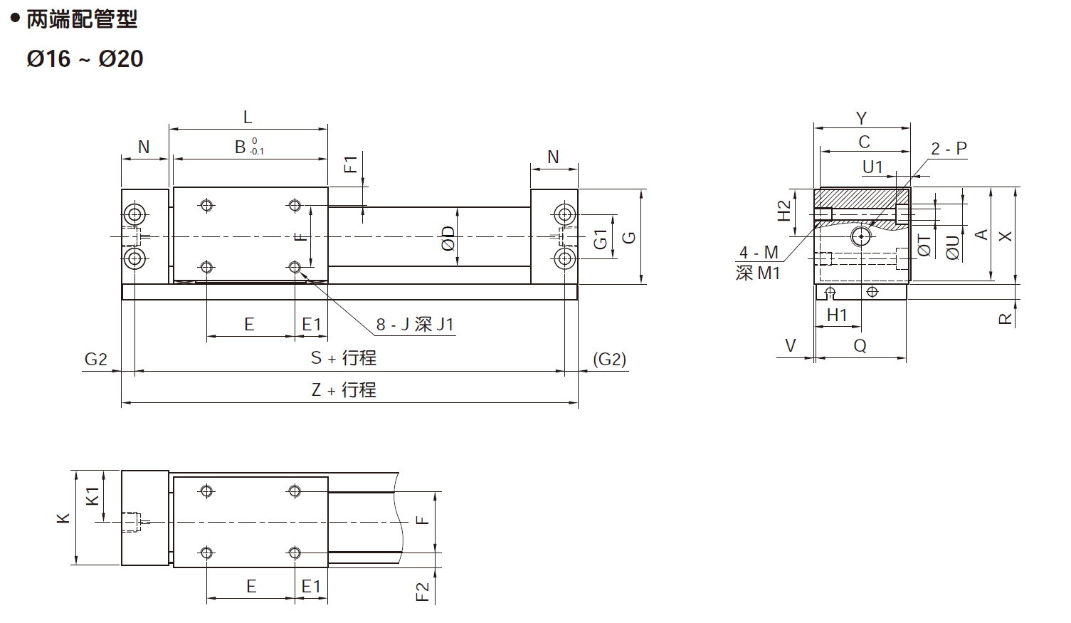
GPD 系列 磁耦式无杆气缸/直接安装型
1. 滑台有两面可安装连接。
2. 直接安装型,可直接安装。
3. 可选用集中配管型,管线集中。
4. 全系列附磁环设计。
选项计算程序
PDF下载
订购码
标准规格
外形尺寸
3D预览
请先登录
登录后即可获取资料
前往登录