首页> 产品中心> 电动元件> 直线模组> 内嵌式全密封丝杆直线模组
产品中心
产品目录
汽车焊装
气动系统
执行元件
首字母搜索:
{{n.title}}
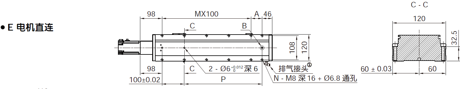
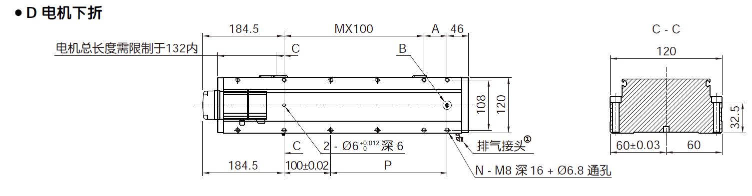
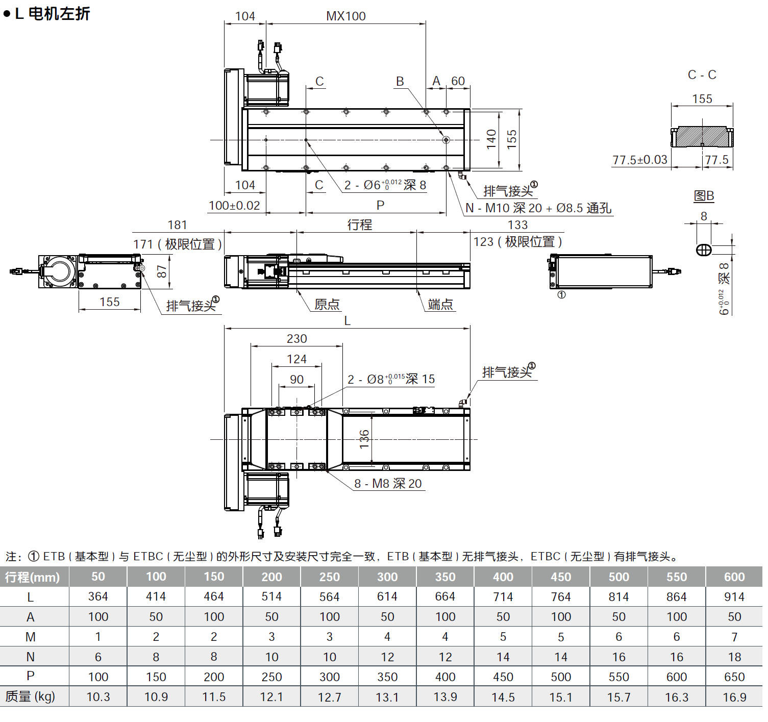
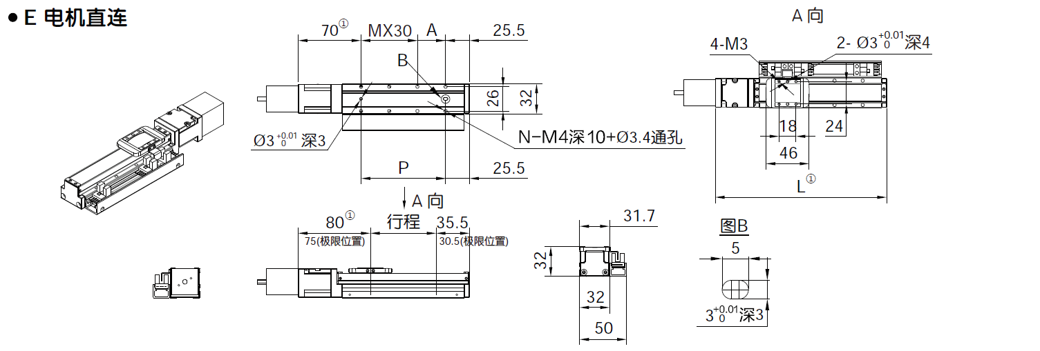
ETB 系列 内嵌式全密封丝杆直线模组

1. 本体与滑座一体成形,整体刚性好,抗弯矩、扭矩性强。

2. 重复定位精度高,滑座直线度高。

3. 适用无尘环境。

4. 根据不同的速度及荷载可选用不同导程的滚珠丝杆。

5. 免拆安装设计,无需拆钢带即可由上往下固定,多种电机安装位置可选。

订购码
标准规格
外形尺寸
3D预览
3.png

e4ebc1fd425b167852fe9cbfdbf64a74.png

2.png

4.png5.png6.png7.png8.png9.png10.png11.png12.png13.png14.png15.png16.png17.png18.png19.png20.png21.png22.png23.png24.png25.png26.png27.png28.png29.png30.png31.png32.png33.png34.png35.png36.png37.png38.png39.png40.png41.png42.png43.png44.png45.png46.png47.png48.png50.png51.png

000101.png52.png53.png

请先登录